わくわく工作実験 <<
振動板の無いスピーカー(イオンスピーカー)
羽根の無い扇風機(イオン扇風機)の姉妹実験
これは羽根の無い扇風機の試作機に、更に、振動板(コーン)の無いスピーカーを付加するという画期的?な姉妹実験です。以前、ブログに羽根の無い扇風機の実験ネタを書いたところ、オーディオ仲間の磨仏さんから「直流電源に音楽信号を畳重させればスピーカーになるのでは?」というメッセージを頂いたのです。お〜それは、面白そうだぞ、と思い、さっそくやってみたのです。構造は下記ページをご参照ください。
もしかしてDCから再生可能??
この羽根の無い扇風機(イオン扇風機)はDC(直流)電圧を印加して連続した空気の流れ(風)を生成しているということは、見方を変えたら、スピーカー(トランスデューサー)としては、もしかしたら、DCから再生可能ということこも??いやいや、それは無理でも、常識とは異なり、実は、低音から再生可能なのでは?どうだろう。まあ、とりあえずやってみよう。
振動板の無いスピーカー基礎実験開始
羽根の無い扇風機1次試作機をそのまま流用したのでスピーカーの構造は羽根の無い扇風機試作機と全く同じです。


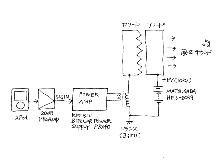
実験接続図はこんな感じです。

カソード側をトランスでカップリングして音声信号を畳重(音声変調)させました。
ちなみに音声変調用に用いた小型トランス(3:50)の伝達周波数特性です。

まあ、なんとかオーディオ領域でも使えそうです。
振動板の無いスピーカーで宇多田を聴く
いちおう鳴りました。
残念ながら低音は再生できないようです。こんな感じです。
僕の大好きな宇多田ヒカルのDISTANCEです。
音は、まあ、こんな感じですが、微妙にオゾン臭い風を感じながら、大好きな宇多田を聴くというのもオツなもんです。
補足1
今回の実験はイオン扇風機向けに作った試作機を無理やり使ったので、スピーカー向けに考えれば、もうちょとまともな音が出せるかもしれません。
補足2
「イオンスピーカー」で検索して調べると、過去にイオン式のスーパートゥイーターが発売されていたようです。
A Capella/ATR トゥイーターユニットTW-1の仕様
投稿:2012/7/11
