オーディオ嗜好 <<
簡単スピーカー切替スイッチ
たんなるスイッチボックスです
単にスピーカーをトグルスイッチで切り替えるだけのスイッチボックスです。
材料はこれだけ

内部配線は音が良いように感じる(根拠なし)高周波用ジュンフロン線(テフロン線)を用いました。

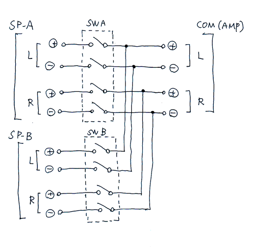
コネクション

出来上がりはこんな感じ




ブラインドテストに好適
このように単なる切替スイッチボックスなんですが、無理矢理に特徴を言えば、2つのスピーカーを切り替えるのに、わざわざ2つのスイッチを用いていることです。普通ならトグルスイッチのN.0.とN.C.の2接点を用いればAとBの2つのスピーカーを切り替えるのに1つのトグルスイッチで可能です(その方が操作もシンプルです)。でもそれだと、ブラインドテストを行った際にカチカチ音の回数を数えれば(奇数/偶数により)切り替えた状態の予想が出来てしまいます。2個のスイッチを用いることで、切り替えた状態が全く分からないためブラインドテストに好適となります。それと、両方のスピーカーともオフ、両方ともオンという状態も設定可能となります。
難点
- コンパクトにするため小型のターミナルを用いたので太いケーブルが接続できない。
- スピーカーではなく2台のアンプ切替に用いる際には同時オンは禁止(アンプが壊れる可能性ある)。
投稿:2013/11/20
