オーディオ嗜好 <<
オーディオプチネタまとめ
オーディオ趣味に関する小ネタを軽く紹介する写真日記のようなものです。
初投稿:2008/5/2
最終更新:2015/5/7
アンプ内蔵サブウーファーをパワーアンプの出力に接続するインターフェイスBOX
映画鑑賞などに利用していますBOSEのAM-01(ACOUSTIMASS BASS CHARGER MODEL AM-01)というパワーアンプ内蔵サブウーファーにパワーアンプの出力を接続するための簡単なインターフェイスボックスを作製しました。
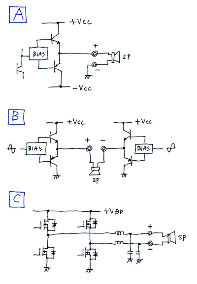
インターフェイス回路を説明する前にオーディオ(ステレオ)パワーアンプ出力(スピーカーを接続する出力)部の概要を説明しておきます。 今のアンプではだいたい下図の3タイプになるかと思います。
一般的なオーディオパワーアンプの出力回路構成

(A)は最も一般的な出力構成で正負両極電源を用いたコンプリメンタリプッシュプル回路構成です。
(B)は単電源でのBTL出力構成です。カーオーディオや小型コンポステレオに多く用いられています。
(C)はD級アンプ(所謂デジタルアンプ)のHブリッジ出力です。
ここで注目すべくは(A)のみがマイナス端子= GNDですが、(A)以外はGNDではないという点です。つまり(A)以外のタイプではマイナス端子もプラス端子もGNDに対して無出力時においても常に電圧(電源電圧の半分)が出ています。したがって出力端子(マイナス端子でも)をGNDに接触させることは出来ません(アンプの出力回路に大きなダメージを与えます)。
(A)タイプのみの対応でしたらパワーアンプの出力をたんに抵抗分圧でアッテネートしてサブウーファー入力に接続すれば良い訳です。しかし(B)や(C)タイプにも対応させるには若干の工夫が必要となります。で考えたのが下図のような回路です。
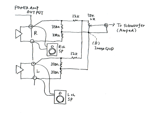
サブウーファー入力インターフェイスBOX回路図

プラスとマイナスのパワーアンプ出力から抵抗分圧で中間電位を生成します(その点を仮想GNDと考えれば分り易いです)。そして適当にアッテネートしてサブウーファー入力にするだけのシンプルな回路です。ただ注意すべくはパワーアンプのGNDとサブウーファーのGNDとは異なることです。もし両GNDが接触すると上回路のR1(330Ω)が焼き切れますがパワーアンプに大きなダメージを与えることはありません。初めはOPアンプ等を利用してもっと大げさなのも考えたのですが結局上図の手抜き回路が最もシンプルです。
サブウーファーをパワーアンプの出力に接続するインターフェイスBOXはこんな感じ
緑色の収縮チューブ内に330Ω抵抗、黒色の収縮チューブ内に12KΩ抵抗が入っています。なぜに収縮チューブなのかと言いますと以前収縮チューブで抵抗器を固めると何故か音が良くなたような気がしたことがあったからです(気がしただけで論理的根拠は全くありません)。またBOSE AM-01の自動電源オンオフ機能は休止さています(常時オン状態)のでボックス内に電源スイッチも搭載しました。
補足
BOSE AM-01は2つの入力端子がありAM-01内部にミキシング回路を持っているので上記回路を2個作れば良い訳ですがすが、一般的なアンプ内蔵サブウーファーは1つの入力かと思いますのでその場合の下図のようにLとRの信号を合成する必要があります。

蛇足
もし上記(A)タイプのパワーアンプ(GNDコモンの出力)のみで使用するのであれば、
例えば下図のようにもっと簡単にできます。

関連記事
BOSEのアクティブサブウーファーAM-01のメンテナンスと改造
ネットワークプレイヤー Q5B
Himedia製のネットワークプレイヤー(メディアプレーヤー)Q5Bを買ってみました。これ、ネットワークプレイヤーと言うよりはHDMIとSPDIF(デジタルオーディオ)出力を搭載したAndroid4.03端末ボックスと言う方が的確のように思います。その1つの機能(アプリ)としてネットワークプレイヤーが楽しめるというものです。
筐体はプラスチックではなく金属(アルミ)製でかなりいい感じです。
下の左図が購入したままのホーム画面です。Androidボックスなのでホームアプリも自由に変更できます。
使用した感想を簡単にまとめますと。
- 購入したままの状態では殆ど使い物にならない。
- Google Playで好みのアプリケーションをインストールし色々カスタマイズすれば別物に変身可能。
- HDMIフルハイビジョン(1080p)対応で画質も良好。
- SD/SDHC/MMC対応のメモリーカードスロットも装備で便利。
- USBだけでなくSATAでもHDD接続可能(余剰の内蔵用SATA HDDを有効活用可能)。
- 簡易NAS機能もそこそこ使える。
- 付属のリモコンもそこそこ使える。
- PC用USBキーボードも使用可能。
- YouTube等の動画も問題なく再生できる。
- アナログオーディオ出力(内蔵DAC)はオマケ程度と考えた方がよさそう。
- デジタルオーディオ出力(SPDIF)をAVアンプ等に入れれば普通にいい音(CDプレイヤと殆ど差異なし、と言うか安価なCDプレイヤーより音がいいかも)。
- Androidタブレットやスマートホンからリモート操作できて便利。
- 動画再生やゲームなどした場合に予想以上に筐体が熱くなる。
- 起動時間が結構掛かる(windows7のPCと同じぐらい)。
このようにHDMIとSPDIF出力を搭載したAndroidボックスなので、極めて自由度の大きなネットワークプレイヤーと言えます。以前使っていました(価格が桁違いに高い)オーディオ製品としてのネットワークプレイヤーに比較すると、こちらの方が桁違いに使い易いです。価格と機能(性能)との関係性が随分と希薄になりゆく時代になったなあっと実感する品物です。
Android採用メディアプレーヤー「Q5B」 -AV Watch
MUSILAND Monitor03US D/Dコンバーター
USBをSPDIFに変換するいわるDDCです。DACも内蔵しています。
ノートPCのUSBオーディオ出力をSPDIF(デジタルオーディオ)に変換してAVアンプに入力するために購入したのですが、DACも内蔵していてアナログ出力も可能です。しかもDACは384KHz32bitまで対応という頼もしいスペックです。またデジタル(SPDIF)とアナログ(DAC)の同時出も可能です。windows標準ドライバは使えず専用ドライバーをインストールする必要があります。僕はwindows7+WASAPI+woobar2000で使用していますが、動作も安定していますし、音質も価格から想像出来ないぐらい良いです。コストパーフォーマンスは抜群の品だと思います。中国オーディオほんとうに侮れないです。価格を異様に高く設定して理解不能な論評を付加すれば売れると言うハイエンドオーディオ商法はいよいよ終焉を迎える時期なのかも知れません。
高性能USB-DAC Monitor 03 US Dragon - p41audio
この品はamazonでは品切れのようです
下記は類似製品情報です。
売り上げランキング: 143,830
スピーカーのバスレフポートとインピーダンスの関係
ただいま記事作成中です。
気軽に音響測定が出来る測定用マイクロフォン ECM8000
BEHRINGER ( ベリンガー)の極めて安価な音響測定用コンデンサーマイクです。
ケースはやや安っぽいですがマイク本体は結構質感いいです。
計測用マイクにしてはノイズが多めなのとf特の信憑性が怪しいので業務用途には無理かも知れませんが趣味レベルでは十分使えそうな感じがします。
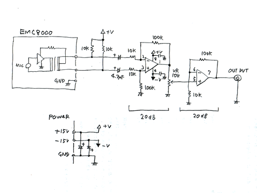
実際に計測に使うにはマイク本体に電源を供給(コンデンサマイクロフォンに電位を与える目的とマイク本体内部のヘッドアンプを駆動させるための電源)(いわゆるファンタム(phantom)電源)が必要です。もちろん市販品もあるのですが、今回は40dB程のプリアンプ兼電源ユニットを作製しました。
こんな感じです。
ECM8000用アンプ回路

前段の差動アンプで20dB増幅しアッテネーター(ボリューム)を経て更に20dB増幅します。
外部からの+/-15VのDC電源供給が必要です。
こんな感じで測定
出力はFFTアナライザ等に繋ぎます。
実際測定したら直ぐに気づくことなんですけど・・
殆どマトモに測れません。
マイクがダメなのではなく部屋がダメダメです。
定在波干渉で何が何なのか本質が見えないです。
無響室の必要性を痛感していまいました。
大きめのダンボール箱と吸音材で簡易無響ボックスを作ろうと思います。
追記
一昔前までは計測用のマイクはとても高価なものでした。また測定にもFFTアナライザーやダイナミックシグナルアナライザーなどの計測器が必要でしたが、今ではPC+フリーソフトでも測定可能で趣味レベルでは十分使えます。ほんとうにいい時代になりました。ありがたいことです。
売り上げランキング: 4,387
中国製デジタルパワーアンプを聴いてみる
友人がスイッチングパワーアンプ(いわゆるデジタルパワーアンプ)が意外に音がとても良いと言うので試しにお薦めの中国製のデジタルアンプを買ってみました。SMSLのSA-36Aという品物です。コンパクトで見た目も結構いいです。パワーアンプICはあの有名なTripath社のTA2020が用いられています。
さっそく試聴してみました。
スピーカーはINFINITY Reference10とBOSE201AVMの2機種で聴きました。
凄いいいです。S/Nが凄く高くて、それと力量感があります。
デジタルアンプ(D級増幅)とは対極のA級増幅であるMusical Fidelity A1との比較切替試聴しましたが遜色なくいいです。滑らかさは若干劣るようにも思いますが、力量感はこのアンプの方があるように思います。電源を工夫したり鳴らし込んで行ったら、もっと良くなるかも知れません。当たり前ですが大音量を出し続けても殆ど熱くなりません。一日中音楽を鳴らしっぱなしにする僕の用途に好適です。これは期待大です。
売り上げランキング: 194,720
フィルムコンデンサーを入手
オーディオ回路では不可欠なフィルムコンデンサーをヤフオクで入手しました。
色々使えそうです。嬉しいです。
余談ですが
以前、出来るだけ小さく作ろうと思い、結合コンデンサーに高誘電率タイプのセラミックコンデンサーを用いたのですが、どうにもこうにも音がイガイガして雑なので、試しにフィルムコンデンサーに交換したら驚くほど音が綺麗になました。音に鈍い僕でさえ分かる明確な違いでした。オーディオの結合コンデンサーにセラコンは絶対NGですねえ。(もちろんセラコンはセラコンに適した用途では最高のコンデンサーです)
どの程度の低音からどの程度の高音まで聴こえるのか?(可聴周波数範囲測定実験)
なぜか僕の妻はとても周波数の低い音(重低音)があまり聞こえないようなので、いったいどれぐらいの周波数範囲の音が聞こえるのだろうかと思い、家族の可聴周波数範囲を測定してみました。
低域は20Hz程度まで十分再生できるスーパーウーファーを用い、高域は90KHzまで再生できるDENON SC-A7Lのツイータを用いました。自分で操作すると正確に測れないので家族で交代で測定しました。結果、人によってだいぶん違うもんです。まず驚いたのは、妻は55Hz以下の重低音が全く聞こえないということです。部屋の置物がビリビリ振動するぐらいまで音量を上げても聞こえないようです。つまりサブウーファーなど全く必要がない音響空間で生活している訳です。ド〜ンド〜ンという大太鼓の音が聞こえないことや、高価なオーディオシステムよりもiPhoneの内蔵スピーカーの音がいちばい聞きやすいくて良い音だと言っている理由が納得できました。息子は若いためか、可聴帯域はいちばん広く21Hz〜19.5KHzまでと教科書的な結果でした。僕は低域は息子と同程度でしたが高域が17.5KHzまでしか聞こえませんでした。まあ年齢によるのだろうと思います。
ジュンフロン線(テフロン線)で何故に音が変わるの?
知人からの情報で、スピーカーケーブルを潤工社のジュンフロン線(テフロン線)にするとやたらと音が良くなったときいたので、馬鹿馬鹿しいと思いつつも試しに試聴しました。
手持ちの電子機器内配線高周波用ジュンフロン線を試してみました。う〜ん。確かに言われてみれば音が綺麗になったような気がしますが、理屈的にはあり得ないので、たぶんやっぱり気のせいなのだと思います。(比較対象のOCFスピーカーケーブルよりジュンフロン線の方が圧倒的に細いので音が劣化することはあっても良くなるとは考えられない)。しかし、もしかしたら理屈を超越した所になんかあるかも知れませんので、また時間ある時にでも、もうちょっとちゃんとしたシステムで、ブラインドテストやりたいと思っています。
フルレンジスピーカーをマルチで鳴らしてみる
多数のフルレンジスピーカーに全く同じ音を入れたらどんな感じになるのか試してみました。
結構いい感じです。
やっぱりボリューム感がアップします。短口径フルレンジ1発でのバッシっとした定位感はなくなってしまいますが、ボリューム感というか拡がり感がアップして、これはこれでこんなのもアリな感じがします。
BOSE 101MM 内蔵の電球回路
BOSEのフルレンジスピーカーには謎の回路が内蔵されているらしいので、ちょうど取り付け場所を変更するついでもあり、もう20年近く愛用のBOSE101MMを分解してみました。
これが内蔵の回路基板(部品面)
これが噂のBOSEの電球回路です。実物を見るのは初めてです。
コネクション
回路図はこんな感じです。

本来のフルレンジスピーカー
フルレンジスピーカーは、本来ならネットワーク回路も何も必要ありません。アンプの出力をスピーカーユニットのボイスコイルへダイレクトに接続すればいいはずです。またその余計なモノ(ネットワーク回路など)を介さなくても済むことがフルレンジスピーカーのメリットの1つでもあるはずです。
回路構成と機能
アンプとスピーカー間にLCR(共振)回路が直列に挿入されている構成です。そして何故かコイルに電球が直列接続されています。この回路の予想される機能は、LC共振周波数近辺の音量を少し抑制して相対的に低域と高域の音量を大きくするイコライザ回路(聴覚補正?)として働きます。また電球は小電流時には抵抗が小さく、電流が大きくなりフィラメントが加熱されると抵抗が大きくなるという性質があり、この性質を上手く利用して、印加される電力(音量)によってイコライザ(補正)の掛かり具合をダイナミック(動的)に変更すること(一種の自動制御)が可能となります。また上述しました電球の性質により、過大入力時におけるスピーカー保護回路としても機能しているのかも知れません。
有る/無しでの試聴
この電球入りイコライザ回路を通した時とスピーカユニットにダイレクト接続した時の比較試聴をしてみました。僕は長年デフォルトの状態(イコライザ回路あり)で聴いていたせいで耳が毒された?からかも知れませんが、僕の好みでは、やはり、この回路があった方がいいです。無いと多少すっきりとした音にはなりますが、やや平坦で無機質な感じになってしまいます。
追記:『パッシブダイナミックイコライザー』と言うらしいです
USPと IPDLでボーズの特許がありました。発明の名称は『パッシブダイナミックイコライザー』とあり、発明の目的は「人間の聴覚特性を補償した良好な再生特性 が得られるパッシブダイナミックイコライザーを提供する」とのことで、あくまでもイコライザ(聴覚補正)であり、過大入力保護機能についての請求項はあり ませんでした。ちょっと意外です。公開特許全文を下に置いておきます。
雑誌Stereo 2012 8月号付録10cmフルレンジスピーカー
雑誌『Stereo』のオマケ(オマケというかメイン)のScanSpeak製10cmフルレンジスピーカーです。
とりあえず簡単にバスレフボックスで試聴。
ぜんぜん馴染んでいない音です。エージングすればよくなって行くのかな。
いろんな箱に入れてじっくりと楽しんで行こうかと思っています。
プレミアが付いてちょっと高くなっていますがアマゾンでまだ購入できるようです。
SHARP 1bitデジタルアンプ
昔から気になっていましたシャープの1bitアンプを入手しました。
内部です
心臓部であデルタシグマ変換用専用IC
予想していたよりずっと良い音です。
これに関しては長くなりそうなので別途書きます。
DENON SC-A7L 試聴とついでに分解
長年PC用のスピーカーは主としてBOSE101を愛用しているのですが、たまには違うスピーカーはどうだろうと思いDENONのSC-A7Lという小型2wayスピーカーを購入しました。このスピーカーを選んだ理由は単にデザイン(外観)が個性的で気に入ったことと90KHzまで伸びているトゥイーターを搭載していることです。
DENONのSC-A7LとBOSE101とを比較試聴しました。サブウーファーはBOSEのAM-01とDENONのDSW-5Lとを色々な組み合わせで試聴しました。
ついでに分解してみました
防磁型のスピーカーユニットと結構ちゃんとした雰囲気のネットワーク回路。
比較試聴結果
DENONのSC-A7Lの外観はとて面白いデザインなんですが音はあまり面白くありませんでした。90KHzまで伸びているようには感じませんでした、むしろBOSE101の方が高域が活き活きと出ている感じがしました。全体的に地味な音です。で、結局、僕のPCでのながら聞きスタイルにはBOSE101+AM-01の方が向いていました。
売り上げランキング: 771,329
BOSEのアクティブサブウーファーAM-01のメンテナンスと改造
BOSEのと合わせて長年愛用しているBOSEのアクティブサブウーファーAM-01です。PCで映画鑑賞をするには欠かせないアイテムです。これに用いられてるユニットはウレタンエッジなのでその劣化具合の確認と回路メンテナンスのために分解しました。前回の分解メンテナンスからもう10年以上経過しています。
これが内部です
光が入らない構造のためかウレタンエッジには全く問題ありませんでした。まだまだ使えそうです。
ちなみに写真に見えている基板には電源回路とプリアンプ部(フィルター回路)とオートスイッチ回路が搭載されています。パワーアンプ部はスピーカーユニットの裏側に搭載されています。
オートスイッチ(自動ON/OFF)回路を無効にしました
BOSEのアクティブサブウーファーには音楽信号の有無により自動的の電源をON/OFFする回路が搭載されているのですが、これが結構煩わしい場合があります。昼間にある程度の音量以上で使用している場合は問題ないのですが、深夜に小音量で映画鑑賞などしていると音の少ないシーンが続くと勝手に電源をOFFにしてしまう場合があります。で、結構これがカチカチ鬱陶しいので、今回、この機能を完全に無効にする改造をしました。
改造はとても簡単です。リレーをON/OFFしているトランジスタTR19(2SC1815)のコレクターとエミッタ間を短絡させるだけです。下写真のオレンジ丸印のようにハンダブリッジでOKです。
この改造により自動電源ON/OFFする回路は無効となりコンセントを挿せば電源が入りぱなしとなりますのでプリメインアンプのスイッチドサービスコンセントに挿すか別途電源スイッチを設ける必要があります。また上記の短絡改造によって回路や部品にダメージを与えることはありません。元にもどせば簡単に元に戻ります。
NHT(Now Hear This)のSuperOneというスピーカー
キャビネットの光沢感と密閉型であることが気に入って買った米国NHT(Now Hear This)社製のSuperOneというスピーカーです。
リビングでスタンドに設置して試聴した時はそこそこ良かったのですが、僕の部屋のデスクに置いて聴くとボロボロです。ポンポンパンパンした音です。全然重さの無い耳につく不自然な低音です、中音も少し甲高く聞えてしまいます。コンクリートブロックの上に置いたりと色々試したのですが大幅な改善はありませんでした。うちの猫は、この音気に入っているようですが、残念ですが僕の部屋ではマッチングがとれませんせでした。手放すことにします。外観はとても気に入っていただけに本当に残念です。
スピーカーのコーン紙をシリコン塗装して音が変わるか実験
コーン紙にシリコーンコーティングして音が変わるか実験してみました。
FostexのFE103のコーン紙の前側全面にシリコーンスプレーをぎっちりと塗布しました。
で、音がどう変わったかというと、イマイチでした。雑な感じの音になってしまいました。元の方がよかったです。
ちょっと残念。
スピーカーのコーン紙を木工ボンドでコーティングして音が変わるか実験
なんとも紙っぽい音が気に入らなかったのでコーン紙に木工用ボンドをベタ塗りしてみました。
コーン紙によって随分と音が変わるもんなんですねえ。
少し能率は下がったように思いますが、コーン質量が大きくなった分foが低下したせいか低音も少し重厚になったし、トータル的にはとてもよくなりました。廃棄しようと思っていたスピーカーですがとりあず置いておくことにします。
建築材料で超安価な簡易スピーカースタンド実験
ホームセンターでたまたまみつけた建築用の部品(たぶん床板を支える部品)を小型スピーカーの簡易スタンドに用いてみました。
土台に重めの合板を用いれば十分安定したスピーカースタンドが出来上がりました。
高さも調整できるし頑丈だし結構いい感じに使えそうです。
怪しげなコンセントの電極メッキ剥がし作業
録音スタジオを経営している知人によると、オーディオ機器の電源プラグの電極のメッキ有無によってかなり音が変わるそうで、最もいいのがメッキなしの真鍮剥き出しとのこと。たんなるハイエンドオーディオフリークな人ではなく実務としてオーディオに携わる人の経験からのアドバイスなので素直に試してみました。
サンドペーパでメッキを剥離させたのとそのままのとで比較試聴しました。
結果は、オーディオ機器がしょぼい為か僕の耳がしょぼい為か、正直いまいち違い分かりませんでした。
DENON アクティブスピーカーの分解遊び
リビングで愛用しているDENONのアクティブサブウーファーDSW-5Lです。音楽にはあまり使いませんが映画鑑賞には無くてはならないアイテムです。何年も使用しているのに未だ分解して中を見たことがなかったので、ふと分解したくなったのです。
個性的なデザインです
後ろ側です
パワーアンプ部が予想外にデカイです。いやパワーアンプ回路自体はTripath社のデジタルパワーアンプICを用いたコンパクトな回路なんですが電源回路(スイッチング電源回路)部が異様にデカイです。
しかしこんなに大きなモノが入っているのでキャビネットの有効容積はかなり小さくなると思うのですが、moが大きくかつ大ストロークなユニットをデジタルパワーアンプの大出力で強力にドライブすることにより重低音を実現しているのだと思います。
スピーカー KENWOOD LS-1001をリニューアル
もう20年以上愛用しているスピーカー KENWOOD LS-1001です。これは2代目です。基本的なところは全然問題ないのですが、外装面(木目町印刷コーティング)の端の部分が剥がれてきて見窄らしいので、いっそうのこと全面をスクレイパーで剥離しました。
お掃除の時に移動させ易いようにキャスター台も作りました。
今でもリビングでのAV用に現役活躍中です。
さよならアナログレコード
とうとうアナログレコードを全て処分しました。
引越しの度に処分してきたアナログレコード盤。厳選した最後の200枚程度は手元に置いていたのですが、やはり場所的に邪魔になるのと、今更ながらアナログレコードを聴くことは無くなったので全て処分しました。1枚数百円程度から高いものでは数万円で買い取っていただきました。何んでそんな値段差が生じたのかは僕にはよく分かりませんが、ありがたいことです。全部処分できて僕の狭い部屋に少し空きスペースが出来て嬉しいです。
そのうちCDも処分かな
最近ではCDも殆ど聴かなくなりました。音楽をサーバー(NAS)に入れて気軽に聴くというスタイルに慣れてしまうと、いちいちCDを選んでCDプレイヤーにセットするという昔は何の苦も無く楽しくさえ思えていた行為が、今ではとても面倒で煩わしく感じてしまうから不思議です。また、近い将来、音楽を含めたコンテンツの全てはクラウドに置くというのが一般的なスタイルになるように思います。しかし便利になればなるほど、とどんどん不精になってしまうのではないかとちょっと不安です。
A1の縦置きはいい感じ
長年愛用し続けている英国Musical Fidelity製のA1というプリメインアンプです。今でも十分に通じるクールで個性的なデザイン、そして最大の特徴はA級バイアスのパワーアンプであることです。だから音はとても素直で良いのですが発熱が大きいです。それで普段はファンで外部から強制空冷して使っているのですが、今回試しに縦置に設置してみると、場所(設置面積)も節約できるし冷却効率も高まり強制空冷なしでもわりとイケそうな感じになりました。
ABCDEFG・オーディオ嗜好・Musical Fidelity A1というプリメインアンプ
防振材によるバッフル板はいい感じ
防振材をバッフル板に用いると随分と音がよくなりました。
この投稿は下記に引越しました。
ABCDEFG・ちょっとオーディオのような・小型バスレフ式スピーカー
メタル缶トランジスタとOPアンプを入手
今のモールドタイプより音がいいと言われている(根拠は不明)メタル缶タイプのパワートランジスタ(コンプリメンタリペアー)とオペアンプを入手できました。
はてさて何をつくろうかな。




















































![stereo (ステレオ) 2012年 08月号 [雑誌]](http://ecx.images-amazon.com/images/I/41rPTYv8WjL._SL160_.jpg)




























































